ST(意法半導體)的型號STM32F031E6Y6TR屬于32位MCU微控制器,包含高性能的 ARM? Cortex?-M0 32位RISC內核,頻率工作48MHz,高速嵌入式存儲器 (高達32K 字節的Flash和4K字節的SRAM),以及 廣泛的增強型外設和 I/O。STM32F031E6Y6TR提供標準通信接口 (一個I2C、一個SPI/ I2S、一個USART)、一個12位ADC、高達五個通用16位定時器、一個32位定時器、一個高級控制PWM定時器。
.jpg)
意法半導體STM32F031E6Y6TR的中文參數
品牌:ST(意法半導體)
產品分類:32位MCU
系列:STM32F0
安裝類型:表面貼裝
封裝/外殼:UFBGA25
工作溫度:-40℃~+85℃
接口:I2C, IrDA, LINbus, SPI, UART/USART
零件狀態:Active
CPU內核:ARM Cortex-M0
主頻速度(Max):48MHz
I/O數:20
程序空間容量:32KB
程序空間類型:閃存
工作電壓(范圍):2V~3.6V
內存RAM容量:4x8KB
內核規格:32Bit
意法半導體STM32F031E6Y6TR的功能特點
高性能:STM32F031E6Y6TR采用了基于ARM Cortex-M0內核的高性能處理器,最高工作頻率為48MHz。這使得它能夠處理復雜的計算任務和實時操作。
低功耗:STM32F031E6Y6TR具有優化的低功耗設計,可在不同的功耗模式下運行。這使得它非常適合對電池壽命和功耗敏感的應用,例如便攜式設備和物聯網設備。
多種存儲器選項:STM32F031E6Y6TR提供了不同類型的存儲器選項,包括Flash存儲器和SRAM。這些存儲器用于存儲應用程序代碼、數據和配置信息。
強大的外設:STM32F031E6Y6TR集成了豐富的外設,包括多個通用和專用定時器,多個通用和專用串行接口,以及多個模擬和數字接口。這些外設能夠滿足各種應用的要求,例如通信、數據采集和控制。
豐富的中斷和事件管理:STM32F031E6Y6TR具有靈活的中斷和事件管理機制。它支持多個中斷優先級,并且可以處理多個中斷源,這使得它能夠高效地響應外部事件和實現多任務操作。
意法半導體STM32F031E6Y6TR的應用領域
STM32F031E6Y6TR是一款基于ARM Cortex-M0處理器的高性能32位微控制器,其主要應用領域如下:
通信設備:STM32F031E6Y6TR可用于各種通信設備,如路由器、交換機、無線基站等。其豐富的通信接口和高性能處理器能夠滿足數據處理和通信需求,同時低功耗和高穩定性也是通信設備所需的重要特點。
醫療設備:STM32F031E6Y6TR可用于各種醫療設備,如醫療監測器、醫療儀器等。其高性能和豐富的外設使其能夠處理復雜的算法和數據,并能夠與其他設備進行高速、可靠的通信。
工業自動化:STM32F031E6Y6TR可用于控制和監控工業自動化系統,如PLC(可編程邏輯控制器)、工廠自動化設備、機器人控制等。其高性能和豐富的通信接口(如UART、SPI、I2C等)使其能夠與其他設備進行快速、可靠的通信。
智能家居:STM32F031E6Y6TR可用于智能家居系統,如智能照明控制、智能溫控、智能安防等。其低功耗特性使其能夠長時間工作,豐富的IO口和外設接口能夠滿足各種傳感器和執行器的連接需求。
消費電子產品:STM32F031E6Y6TR可用于消費電子產品,如家用電器、音頻/視頻設備、數碼相機等。其高性能處理器和豐富的外設使其能夠實現復雜的功能和優化的用戶體驗。


意法半導體STM32F031E6Y6TR的引腳封裝圖

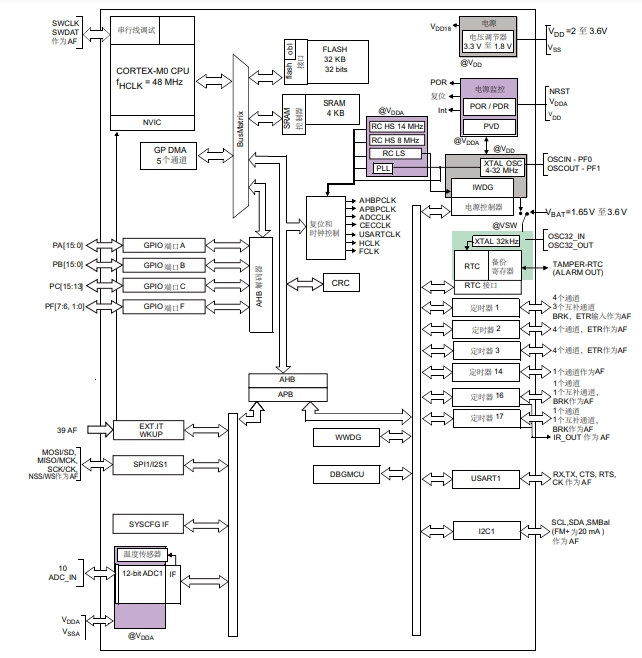
意法半導體STM32F031E6Y6TR的功能方框圖

意法半導體STM32F031E6Y6TR的型號解釋圖
詢價列表 ( 件產品)
哦! 它是空的。