ST(意法半導體)的型號STM32F071CBT6TR屬于32位MCU微控制器,集成了高性能Arm?Cortex?-M0 32位RISC核心,工作頻率高達48MHz,高速嵌入式存儲器(高達128千字節的閃存和16千字節的SRAM),以及廣泛的增強外設和I/o。
STM32F071CBT6TR提供標準通信接口(兩個I 2c,兩個SPI/一個I2S,一個HDMI CEC和四個usart),一個12位ADC,一個帶兩個通道的12位DAC,七個16位計時器,一個32位計時器和一個高級控制PWM計時器。STM32F071CBT6TR微控制器工作在-40到+85°C和-40到+105°C的溫度范圍內,從2.0到3.6 V電源。一套全面的省電模式允許設計低功耗應用程序。

STM32F071CBT6TR的中文參數
品牌:ST(意法半導體)
產品分類:32位MCU
系列:STM32F0
是否無鉛:Yes
安裝類型:表面貼裝
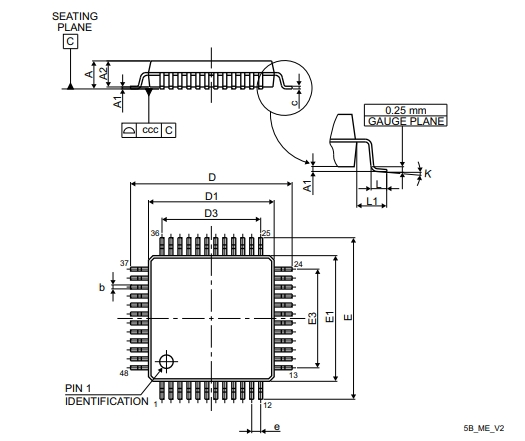
封裝/外殼:LQFP48_7X7MM
工作溫度:-40℃~+85℃
接口:HDMI-CEC, I2C, IrDA, LINbus, SPI, UART/USART
零件狀態:Active
CPU內核:ARM Cortex-M0
核心尺寸:32-位
主頻速度(Max):48MHz
I/O數:37
程序空間容量:128KB
程序空間類型:閃存
工作電壓(范圍):1.65V~3.6V
內存RAM容量:16x8KB
內核規格:32Bit
STM32F071CBT6TR的功能特點
1、核心:Arm?32位Cortex?-M0 CPU,頻率高達48兆赫茲;
2、記憶:
(1)64kb ~ 128kb的Flash內存;
(2)16kbytes的SRAM與HW奇偶校驗。
3、CRC計算單元;
4、復位和電源管理:
(1)數字和I/O電源:VDD = 2.0 V ~ 3.6 V;
(2)模擬電源:VDDA = VDD至3.6 V;
(3)已選I/o:VDDIO2 = 1.65 V ~ 3.6 V;
(4)開機/關機復位(POR/PDR);
(5)可編程電壓檢測器(PVD);
(6)低功耗模式:休眠、停止、待機;
(7)VBAT供應RTC和備份寄存器。
5、時鐘管理:
(1)4至32兆赫的晶體振蕩器;
(2)校準的RTC 32khz振蕩器;
(3)內部8MHz RC與x6鎖相環選項;
(4)內部40khz RC振蕩器;
(5)內部48mhz振蕩器自動基于ext.同步的修剪。
STM32F071CBT6TR的應用領域
STM32F071CBT6TR是一款微控制器芯片,其主要應用領域如下:
1、工業自動化:STM32F091CCT6TR具有高性能、豐富的外設和靈活的通信接口,適用于工業自動化應用,如工廠自動化控制系統、機器人控制、過程控制等。
2、智能家居:STM32F091CCT6TR具有低功耗和多種通信接口,非常適合用于智能家居設備的控制和連接,例如智能照明系統、智能門鎖、智能家電等。
3、汽車電子:STM32F091CCT6TR具有高溫工作能力和豐富的外設接口,可以用于汽車電子控制單元(ECU)、儀表盤控制、車載娛樂系統等。
4、醫療設備:STM32F091CCT6TR具有低功耗、高性能和豐富的接口,適用于醫療設備的控制和數據處理,例如便攜式醫療設備、心電圖儀、血壓計等。
5、安防系統:STM32F091CCT6TR具有豐富的外設和通信接口,可用于安防系統中的報警控制、視頻監控、門禁系統等。
STM32F071CBT6TR的引腳圖

STM32F071CBT6TR的封裝圖

STM32F071CBT6TR的原理圖

STM32F071CBT6TR的型號解釋圖

詢價列表 ( 件產品)
哦! 它是空的。