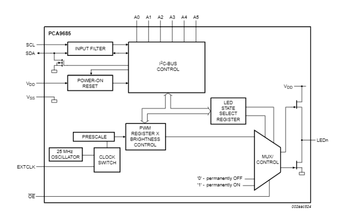
PCA9685是一款由I2C總線控制的16通道LED控制器,最適合紅色/綠色/藍色/琥珀色(RGBA)彩色背光應用。每個LED輸出各自帶有12位分辨率(4096級)固定頻率的獨立PWM控制器,該控制器工作在24 Hz至1526 Hz的可編程頻率范圍內,占空比從0 %至100 %可調,允許將LED設為特定的亮度值。所有輸出均設為相同的PWM頻率。
每個LED輸出可以是關、開(無PWM控制)或按獨立PWM控制器的值設置。LED輸出驅動器可編程為開漏極或圖騰柱,5 V情況下開漏極具有25 mA的灌電流能力,圖騰柱具有25 mA灌電流、10 mA拉電流能力。PCA9685的工作電源電壓范圍為2.3 V至5.5 V,輸入和輸出容許5.5 V的電壓。LED可直接連接至LED輸出(最高25 mA,5.5 V),或通過外部驅動器和最少量的分離組件(用于更大電流或更高電壓的LED)控制。

PCA9685屬于新款快速模式Plus (Fm+)系列。Fm+設備提供更高的頻率(最高1 MHz)和更密集的總線操作(最高4000 pF)。
雖然PCA9635和PCA9685具有許多類似的功能,但是PCA9685具有獨特的功能,更適合LCD或LED背光和Ambilight等應用:
PCA9685允許LED輸出的開關時間交錯以最大程度減少電流浪涌。16條通道可分別對開關時間延遲進行獨立編程。PCA9635不具有此功能。
PCA9685擁有4096級(12位PWM)單獨LED亮度控制能力。PCA9635僅有256級(8為PWM)
當系統采用多個LED控制器時,如果使用PCA9635,則多個設備之間的PWM脈沖寬度可能不同。PCA9685具有可編程分頻器以調節多個器件的PWM脈沖寬度。
PCA9685具有外部時鐘輸入引腳,可接收用戶提供的時鐘(最大50 MHz)以替代內部25 MHz振蕩器。此功能可用以同步多個設備。PCA9635沒有外部時鐘輸入功能。
與PCA9635類似,PCA9685還具有內置振蕩器以進行PWM控制。但是,PCA9685的PWM控制所用的頻率在大約24 Hz至1526 Hz范圍內可調,而PCA9635的典型頻率為97.6 kHz。這允許通過外部電源控制器使用PCA9685。所有位均設為相同的頻率。
如果是PCA9685,則LEDn輸出引腳的上電復位(POR)默認狀態為低電平。對于PCA9635則為高電平
低電平有效的輸出使能引腳(OE)允許異步控制LED輸出,可用于將所有輸出設為規定的I2C總線可編程邏輯狀態。OE還可用于外部脈沖寬度調制輸出,這在需要使用軟件控件對多個設備一起進行調光或閃爍控制時非常有用。
軟件可編程LED全尋呼和三個子尋呼I2C總線地址允許所有或規定分組的PCA9685設備響應共用I2C總線地址,例如,允許同時打開或關閉所有紅色LED或產生選取框追逐效果,從而最大程度減少I2C總線命令。6個硬件地址引腳允許同一個總線上多達有62個設備。
軟件復位(SWRST)統一尋呼允許控制器通過I2C總線對PCA9685進行復位,與上電復位(POR)完全相同,將寄存器初始化為默認狀態,使輸出設為低電平。這能通過軟件方便且快速地將所有設備寄存器重新配置為相同的條件。
功能和優點
16個LED驅動器。每個輸出可編程:
關
開
可編程LED亮度
可編程LED打開時間有助于減少EMI
1 MHz快速模式Plus兼容I2C總線接口的SDA輸出具有30 mA的高驅動能力,可驅動高電容總線
能使每個LED輸出從完全關閉(默認)至最大亮度進行4096級(12位)線性可編程亮度變化
LED輸出頻率(所有LED)一般從24 Hz至1526 Hz進行變化(默認為PRE_SCALE寄存器的1Eh,導致200 Hz的刷新率和25 MHz的振蕩器時鐘)
軟件可編程開漏LED輸出可選擇十六個“圖騰柱”輸出(5 V時反向電流為25 mA源電流為10 mA0) (默認圖騰柱) 無輸入功能
輸出狀態可編程為根據Acknowledge或STOP命令變化,以逐字節或同時全部的方式更新輸出(默認設為“根據STOP變化”)。
低電平有效的輸出使能(OE)輸入引腳。當OE為高電平時,LEDn輸出可編程為邏輯1、邏輯0(上電時默認)或“高阻抗”。
6個硬件地址引腳允許將62個PCA9685設備連接至同一條I2C總線
切換OE允許通過硬件控制LED閃爍
4個軟件可編程I2C總線地址(一個LED全部調用地址和三個LED輔助調用地址)允許以任何組合(例如,群組中一個寄存器用于“全部調用”以使I2C總線上的所有PCA9685可同時尋址,第二個寄存器用于三個不同的地址以使總線上所有器件的1/3可同時尋址)同時對器件群組進行尋址。通過軟件啟用和禁用這些I2C總線地址
軟件復位功能(SWRST一般調用)允許通過I2C總線使設備復位
25 MHz典型內部振蕩器無需外部組件
外部時鐘輸入:50 MHz (最大值)
內部上電復位
SDA/SCL輸入端提供噪音濾波器
輸出具有邊緣速率控制
上電時沒有輸出毛刺
支持熱插入
低待機電流
工作電源電壓范圍為2.3 V至5.5 V
5.5 V容差輸入
工作溫度:-40 °C至+85 °C
ESD保護:按JESD22-A114超過2000 V HBM,按JESD22-A115超過200 V MM,按JESD22-C101超過1000 V CDM
根據JEDEC標準JESD78完成超過100 mA的閉鎖測試
封裝方式:TSSOP28、HVQFN28
應用
RGB或RGBA LED驅動器
LED狀態信息LED顯示屏
LCD背光
適用于手機或手持設備的鍵盤背光
功能框圖

引腳

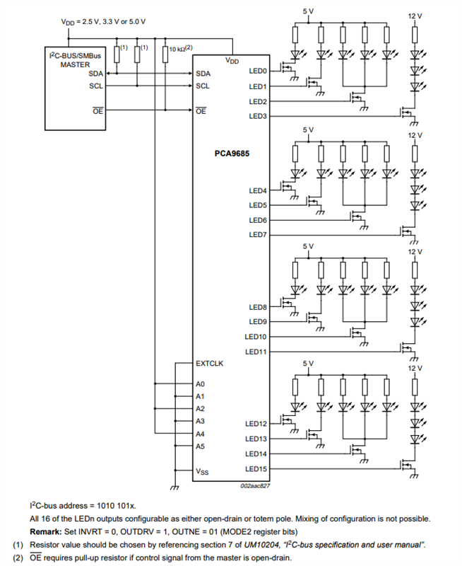
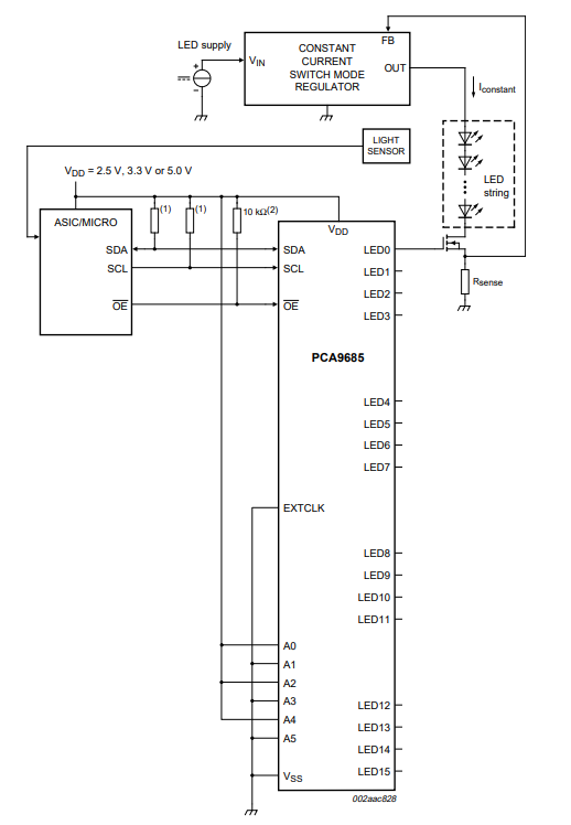
典型應用圖

LCD背光應用

NXP恩智浦代理商永芯易:如有芯片采購需求可通過聯系客服:4008-622-911或關注我司獲取芯片產品規格書或芯片樣品測試(樣品測試:終端廠家專享,需提供公司信息)最終解釋權歸我司所有。
詢價列表 ( 件產品)
哦! 它是空的。