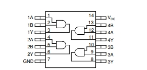
TI(德州儀器)的型號SN74HC08DR屬于邏輯芯片,包含四個獨立雙輸入與門,每個邏輯門以正邏輯執行布爾函數 Y=A * B。

一、TI德州儀器SN74HC08DR的功能特點
1、高速操作:傳播延遲(tpd)在10至50納秒之間,數據速率最高可達28Mbps,適合高速數字信號處理。
2、寬工作電壓范圍:供電電壓范圍為2V至6V,使其能夠適應多種電源環境。
3、寬工作溫度范圍:能夠在-40°C至85°C的溫度范圍內穩定工作,適用于不同環境條件。
4、低功耗:與LSTTL邏輯IC相比,SN74HC08DR能夠顯著降低功耗。
5、支持大扇出能力:能夠支持多達10個LSTTL負載的扇出。
6、標準CMOS輸入:具有高阻抗輸入,通常模擬為輸入到地的電阻與電氣特性中給出的輸入電容并聯。
7、平衡CMOS推挽輸出:允許設備吸收和提供相似的電流,驅動能力可以產生快速邊沿進入輕負載。
8、輸入漏電流低:在VCC或0V下,輸入漏電流在6V時為±0.1μA。
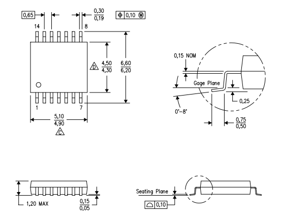
9、封裝類型:提供多種封裝選項,如SOIC-14、SSOP-14、PDIP-14等。
10、ESD保護:具有靜電放電保護功能,增強了器件的耐用性和可靠性。
二、TI德州儀器SN74HC08DR的應用領域
SN74HC08DR是一款四路二輸入與門芯片,其主要應用領域如下:
1、數字邏輯電路:由于其基本的邏輯門功能,SN74HC08DR可以用于構建各種復雜的數字邏輯電路。
2、計算機系統:在計算機系統的主板或外圍設備中,用于實現數據選擇、狀態判斷等邏輯功能。
3、通信設備:在通信設備中,用于處理和控制信號,確保數據傳輸的準確性。
4、工業控制系統:在工業自動化和控制系統中,用于實現邏輯控制和信號處理。
5、電源管理:在電源管理系統中,用于控制電源的正常信號和使能數字信號。
6、汽車電子:在汽車電子系統中,用于邏輯控制和信號處理,如電機控制器的復位信號。
7、消費電子:在各種消費電子產品中,如家用電器、音頻視頻設備等,用于邏輯控制和信號處理。
三、TI德州儀器SN74HC08DR的中文參數
品牌:TI(德州儀器)
產品分類:邏輯芯片
封裝:SOIC-14
包裝:整包裝
邏輯類型:與門
電路數:4
輸入數:2
特性:-
電壓-供電:2V~6V
電流-靜態(最 大值):2μA
電流-輸出高、低:5.2mA,5.2mA
邏輯電平-低:0.5V~1.8V
邏輯電平-高:1.5V~4.2V
不同V、最 大CL時最 大傳播延遲:17ns@6V,50pF
工作溫度:-40℃~85℃
安裝類型:表面貼裝型
基本產品編號:SN74HC08
HTSUS:8542.39.0001
四、TI德州儀器SN74HC08DR的引腳圖

五、TI德州儀器SN74HC08DR的封裝圖

六、TI德州儀器SN74HC08DR的原理圖

詢價列表 ( 件產品)
哦! 它是空的。