簡介
汽車行業正經歷重大的變革,電動汽車 (EV)、自動駕駛、高端信息娛樂系統、連接性,還有軟件定義汽車。無論是電動汽車的目的、益處,還是它對汽車供應鏈的影響,人們都已經有了深刻的認識。
然而,向自動駕駛和高性能計算 (HPC) 的數字化轉型仍處于早期階段,它還在不斷的發展中。數字化轉型同時適用于電動汽車和內燃機 (ICE) 汽車。這些新興趨勢帶來的技術顛覆將為汽車供應鏈帶來挑戰,同時也帶來機遇。
人口的持續增長和城市化,讓現代交通面臨擁堵、事故多和交通不暢等問題,并進而產生負面的社會經濟影響(見圖1)。開發個人用自動駕駛、聯網車輛和用于公共交通的自動駕駛出租車將有助于提高便利性、安全性和經濟流動性。

圖1: 駕駛帶來的問題
對車輛數字化的需求日益增長,這需要先進的技術、新的架構,還要全面開發創新的組件和解決方案。自動駕駛汽車所需的巨大的高性能算力不僅要用于車輛本身,還要支持基礎設施。
為了實現數字化移動,汽車原始設備制造商 (OEM) 和一級供應商開始聯手片上系統 (SoC) 供應商,共同致力于提供推動汽車行業發展所需的算力。這種范式的轉變為制造商帶來機會去創造新功能和新特性以滿足現代消費者的需求,也有機會讓其產品在一眾競爭者之中脫穎而出。
汽車計算架構的演變
圖 2 顯示了汽車計算架構的演變。
過去的汽車,幾十個電子控制單元(ECU)遍布車身用于處理本地數據。如今的汽車則由域控制器聚合并處理來自車身各個部分的數據。未來的車輛更將配備中央計算機,提供更高算力來支持高級駕駛輔助功能、高端信息娛樂系統、連接性以及其他先進的功能。

圖2: 汽車計算架構的演變
未來汽車的中央計算機將依靠功能強大的 SoC。這些 SoC 將具有先進的 CPU 和 GPU 功能,能夠處理海量的數據并執行復雜的計算,讓車輛能夠實時做出決策。這樣的SoC 需要先進的電源管理解決方案,尤其是核心電壓軌的電源解決方案。
SoC 核心軌需要幾百安培的電流,且有嚴格的瞬態性能和效率要求。盡管服務器、數據中心和人工智能應用早已使用了多代強大的 SoC 和先進電源管理解決方案,但這些方案對汽車應用來說仍是新事物。汽車電源解決方案還面臨更多的挑戰,例如需要符合 AEC-Q100 認證和 ASIL-D 功能安全標準,同時還要保持與企業級 SoC 核心電源解決方案相同的高效率、快速瞬態響應、可配置性、可擴展性、監控和系統保護功能。
汽車片上系統(SoC)
圖 3 所示為簡化的汽車 SoC 電源樹,它包括高功率核心電源軌和低功率系統電源軌兩部分。低功率軌可使用電源管理 IC (PMIC) 或離散負載點 (PoL) 變換器。高功率核心軌則需要專門的電源解決方案,因為它們有嚴格的規范為嵌入到 SoC 中的 CPU 和 GPU 提供所需的功率。此外,根據架構和性能規格,SoC 還可能需要多個核心軌。本文將重點介紹 SoC 核心電源軌的電源解決方案。

圖3: 汽車SoC的典型電源樹
SoC 核心軌的傳統解決方案使用了模擬脈寬調制 (PWM) 控制器、分立式 MOSFET 以及分立式的電流和溫度采樣電路(見圖 4)。這種解決方案需要很多外部元件,這會增加成本、降低汽車應用的可靠性,并且需要較大的 PCB 空間。因此,傳統解決方案不僅設計困難,而且欠缺靈活性和可擴展性。而這兩個特性正是高級駕駛輔助系統 (ADAS)、信息娛樂系統和高性能計算 (HPC) 應用中 SoC 的關鍵需求。

圖4: 傳統SoC解決方案
圖 5 顯示了一個采用了數字多相控制器和單片 DrMOS 功率級的先進 SoC 核心電源解決方案。其中的DrMOS集成了柵極驅動器IC、電流采樣電路和溫度采樣電路。該方案消除了傳統解決方案所需的多個外部組件,可以實現更簡單的解決方案。

圖5: 數字PWM控制器和單片DrMOS方案
采用單片設計的DrMOS可以提供無可比擬的高功率密度、精確的電流采樣和片上溫度采樣。MPS 擁有22V 和 6V DrMOS 產品系列,可支持單級功率轉換和兩級功率轉換。
這些數字控制器具備靈活性和可擴展性,可以根據給定 SoC 核心軌的電流額定值來配置相數。數字控制器不需要任何外部反饋環路補償,這簡化了設計工作并縮短了開發時間。這些器件還具有非易失性存儲器 (NVM),可配置和重新配置寄存器設置多達 1,000 次。而且,控制器和 DrMOS 產品還提供各種監控和保護功能,可用于實現系統級遙測。
汽車SoC和電池
現代汽車多采用兩種 12V 電池:鉛酸電池或鋰離子電池。鋰離子電池的最大輸出電壓(VOUT)高達 20V;鉛酸電池的瞬態 VOUT也可以達到40V。
圖 6 展示了一個采用 22V 額定電壓 DrMOS 產品實現的單級功率轉換方案。配備12V鋰離子電池的汽車可以直接使用22V DrMOS,無需預調節器將電池電壓轉換為 SoC 核心軌電壓。這是實現最佳效率、更小PCB 面積、更低成本和更優電氣性能的理想解決方案。
對于使用鉛酸電池的車輛,在負載突降或雙電池條件下的最大電壓可達 40V。在這種情況下,需要使用預調節器將 DrMOS 上的輸入電壓 (VIN) 限制為最大 20V,以在瞬態條件下保護 DrMOS。

圖 6:使用 22V DrMOS 和可選預穩壓器實現的單級功率轉換
如果車輛配備了鉛酸電池,則可以使用預調節器作為限壓器。預調節器能夠以 100% 占空比運行,這也意味著在正常運行條件下,它提供直通功能,可實現高于99% 的效率。在電壓瞬變期間,預調節器則充當降壓變換器;在電池電壓 (VBATT)超過預設的20V限制時,它能在幾毫秒以內將DrMOS的 VIN限制在20V。
就電氣性能而言,采用預調節器的方案與單級功率轉換方案類似,因為預調節器僅在 VBATT瞬間超過 20V 時才被激活。此外,配備預調節器后的 PCB 總面積仍小于傳統實現方式,因為后者需要高壓分立式 FET 和模擬 PWM 控制器用于單級轉換。
圖 7 顯示了一個具有兩級功率轉換的 12V 鉛酸電池供電汽車應用方案。第一級將 VBATT 轉換為 5V 或 3.3V 中間總線電壓;第二級采用額定電壓6V的DrMOS 器件將中間總線電壓轉換為 SoC 核心電壓軌電壓。

圖 7:采用6V DrMOS 實現的兩級功率轉換
兩級功率轉換需要額外的半導體元件,但與單級解決方案相比,中低功率級 SoC 核心軌的整體 SoC 電源解決方案仍然更小、更便宜。系統設計人員需要權衡所有的因素(例如 12V 電池化學成分和 SoC 核心軌電源規格),以選擇最佳的電源架構。
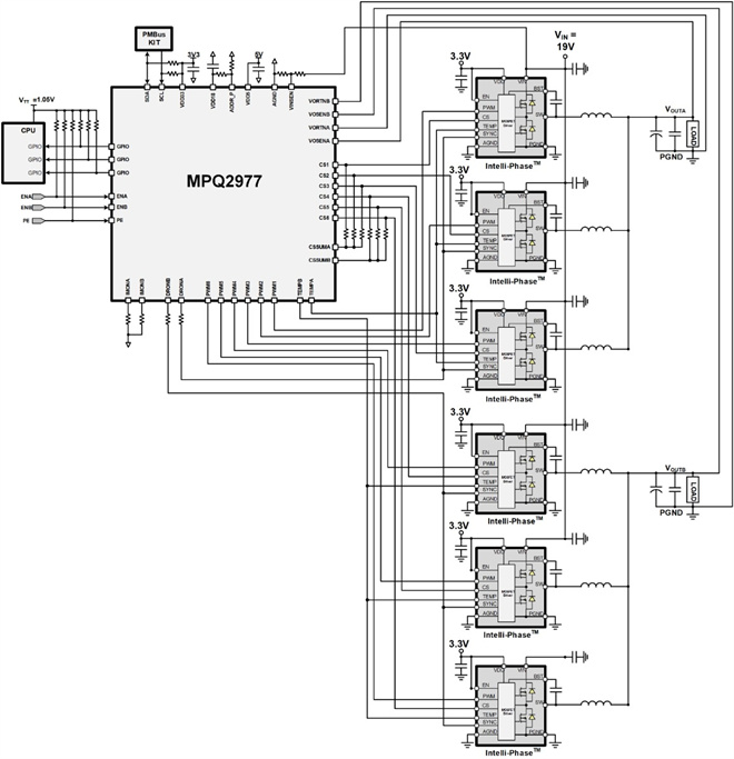
圖 8 顯示的簡化應用原理圖采用了MPS 的數字多相控制器和單片DrMOS功率級。MPQ2977-AEC1配置為兩個輸出軌,每個軌三相。這個全面的解決方案只需很少的外部組件,同時還提供多種監控和保護功能,例如過流保護 (OCP)、過壓保護 (OVP) 和過溫保護 (OTP)。

圖8: MPQ2977
除此之外,數字控制器也是 MPS 汽車MPSafeTM系列產品的一部分。該系列產品均為根據 ISO 26262 功能安全產品開發流程開發的面向安全的汽車級產品。隨著汽車行業對自動駕駛、互聯化和電氣化的不斷追求,ISO 26262 國際標準已成為應對電氣和電子系統故障風險的核心要求。MPSafeTM產品開發流程確保了汽車產品被恰當地開發,幫助客戶滿足高達ASIL-D的各種汽車安全完整性等級 (ASIL) 要求。
結語
汽車行業正經歷一系列的數字化轉型,它不斷邁向自動駕駛、高端信息娛樂系統、連接性和共享出行,以解決當今駕駛員和乘客共同面臨的問題。
汽車計算架構也隨之從分布式架構演變為具有強大 SoC的集中式架構。中央計算中采用的 SoC 需要先進的電源管理解決方案加持,尤其是核心電壓軌。傳統的電源解決方案已不再適用于下一代的中央計算電源應用。
汽車 SoC 核心電源應用中使用的先進電源管理解決方案、數字多相控制器和 DrMOS 功率級必須是具備可擴展性、靈活性且緊湊的電源解決方案,同時還要具備高效率和快速瞬態響應。本文介紹了如何實現單級或兩級功率轉換的電源架構。要了解MPS 汽車 SoC 核心電源解決方案的更多信息,請查閱我們的 AEC-Q100 級多相數字控制器和DrMOS 功率級產品。
詢價列表 ( 件產品)
哦! 它是空的。