TI(德州儀器)的型號REF3030AIDBZR屬于電壓基準芯片,是采用微型3引腳、SOT-23封裝的精密、低功耗、低壓降電壓基準產品系列。REF30xx提供出色的溫漂和初始精度,具有42μA(典型值)的靜態電流。

低功耗和相對較高的精度使得EF3030AIDBZR非常適合環路供電式工業應用,如壓力和溫度變送器應用中,低功耗是一個關鍵問題。REF30xx 非常便于用在本安和防爆應用中,因為它無需負載電容器即可實現穩定。 REF30xx 的額定工業溫度范圍為 –40°C至+125°C。
在零負載條件下,REF3030AIDBZR由1mV輸出電壓范圍的電源供電。工程師們可在便攜式和電池供電類應用中充分發揮REF30xx系列器件的低壓降、小尺寸和低功耗特性應用中的需求。
德州儀器REF3030AIDBZR的中文參數
品牌:TI(德州儀器)
產品分類:電壓基準芯片
容差:±0.2%
溫度系數:75ppm/°C
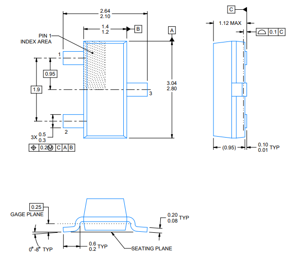
封裝:SOT-23-3
噪聲-0.1Hz至10Hz:33μVp-p
包裝:整包裝
噪聲-10Hz至10Hz:94μVrms
商品標簽:汽車級
電壓-輸入:3.05V ~ 5.5V
參考類型:系列
電流-供電:50μA
輸出類型:固定
工作溫度:-40°C ~ 125°C(TA)
電壓-輸出(最小值/固定):3V
安裝類型:表面貼裝型
電流-輸出:25 mA
基本產品編號:REF3030
德州儀器REF3030AIDBZR的功能特點
1、精密電壓輸出:REF3030AIDBZR能夠提供固定的電壓輸出,精度高達0.04%,可用作精密電壓參考源。
2、低溫漂移:REF3030AIDBZR具有很低的溫度漂移率,通常為每攝氏度1ppm,因此即使在不同溫度下使用,輸出電壓的穩定性也很高。
3、高準確性:REF3030AIDBZR在整個工作溫度范圍內具有很高的準確性,其非線性誤差為0.04%,保證了輸出電壓的穩定性和一致性。
4、低噪聲:REF3030AIDBZR的輸出電壓具有很低的噪聲水平,使得它適用于對電壓噪聲要求較高的應用,如精密測量和傳感器校準等。
5、低功耗:REF3030AIDBZR采用低功耗設計,能夠在節能環境中工作,并且可以通過熱關斷電流,進一步降低功耗。
德州儀器REF3030AIDBZR的應用領域
REF3030AIDBZR是一款功能強大、穩定性高的精密電壓基準源芯片,適用于各種精密測量和校準應用,其主要應用領域如下:
儀器與測量:REF3030AIDBZR可以提供高精度的參考電壓,用于儀器和測量設備中,例如多功能測試儀、示波器、頻譜分析儀等。
工業自動化:在工廠自動化系統中,REF3030AIDBZR可作為穩定的參考電壓源,用于反饋控制系統、PLC(可編程邏輯控制器)等設備。
通信與網絡設備:REF3030AIDBZR的高精度和低溫漂特性使其成為通信和網絡設備中的理想選擇,例如路由器、交換機、無線基站等。
汽車電子:在汽車電子中,REF3030AIDBZR可以用于流明儀表、車載娛樂系統、車載電源管理等應用,以提供穩定的參考電壓。
醫療設備:醫療設備對穩定性和精確性的要求通常很高,REF3030AIDBZR可用于醫療儀器中的參考電壓源,例如血壓計、心電圖儀、體溫計等。
德州儀器REF3030AIDBZR的功能方框圖

德州儀器REF3030AIDBZR的引腳封裝圖


詢價列表 ( 件產品)
哦! 它是空的。