ST(意法半導體)的型號STM32L476VCT6屬于32位MCU微控制器,采用高性能Arm?Cortex?-M4 32位RISC核心的超低功耗微控制器,工作頻率高達80MHz。Cortex-M4核心具有浮點單元(FPU)單精度,支持所有Arm?單精度數據處理指令和數據類型。它還實現了一套完整的DSP指令和內存保護單元(MPU),增強了應用程序的安全性。

STM32L476VCT6采用嵌入高速存儲器(高達1Mbyte的閃存,高達128Kbyte的SRAM),用于靜態存儲器的靈活外部存儲器控制器(FSMC)(用于100引腳及以上包的設備),Quad SPI閃存接口(所有包均可用)和廣泛的增強I/o和外設,連接到兩個APB總線,兩個AHB總線和一個32位多AHB總線矩陣。
STM32L476VCT6采用為嵌入式閃存和SRAM嵌入了幾種保護機制:讀出保護、寫保護、專有代碼讀出保護和防火墻。
STM32L476VCT6提供三個快速12位adc (5Msps)、兩個比較器、兩個運算放大器、兩個DAC通道、一個內部電壓參考緩沖器、一個低功耗RTC、兩個通用32位定時器、兩個專用于電機控制的16位PWM定時器、七個通用16位定時器和兩個16位低功耗定時器。該器件支持四個用于外部sigma delta調制器(DFSDM)的數字濾波器。
意法半導體STM32L476VCT6的中文參數
品牌:ST(意法半導體)
產品分類:32位MCU
系列:STM32L4
是否無鉛:Yes
安裝類型:SMT
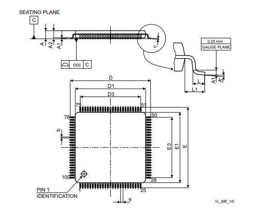
封裝/外殼:LQFP100
工作溫度:-40℃~+85℃
接口:CANbus, EBI/EMI, I2C, IrDA, LINbus, MMC/SD, QSPI, SAI, SPI, SWPMI, UART/USART, USB OTG
零件狀態:Active
CPU內核:ARM Cortex-M4
核心尺寸:32-位
主頻速度(Max):80MHz
I/O數:82
程序空間容量:256KB
程序空間類型:閃存
工作電壓(范圍):1.71V~3.6V
內存RAM容量:128x8KB
內核規格:32Bit
意法半導體STM32L476VCT6的功能特點
1、高性能:具有Cortex-M4內核,最高主頻可達80MHz,可以提供快速、高效的計算能力。
2、低功耗:采用了意法半導體的超低功耗技術,具有極低的靜態功耗和動態功耗,可實現高效能耗管理。
3、大容量存儲器:具備256KB的閃存和64KB的RAM,可以滿足復雜應用程序的存儲需求,提供更大的靈活性和可擴展性。
4、豐富的外設接口:提供了豐富的外設接口,包括多個通用輸入輸出引腳(GPIO)、多個串行通信接口(SPI/I2C/UART)、模數轉換器(ADC)、PWM輸出以及定時器等,可方便地與其他外部設備進行通信和控制。
5、多種通信協議支持:支持多種通信協議,包括SPI、I2C、USART、USB和CAN等,方便實現與外部設備的數據交換和通信。
6、安全性:具備硬件安全功能,包括存儲器保護、訪問權限控制和加密引擎,可保護系統敏感數據的安全性。
7、豐富的開發工具和軟件支持:意法半導體提供了豐富的開發工具和軟件支持,包括STM32Cube軟件包、Keil MDK開發環境、STM32CubeMX配置工具等,方便開發人員進行開發、調試和測試。
意法半導體STM32L476VCT6的應用領域
STM32L476VCT6是一款32位的超低功耗MCU微控制器,其主要應用領域如下:
物聯網設備:STM32L476VCT6具有低功耗、高性能和多種通信接口,適用于各種物聯網設備,如智能家居、智能城市、智能農業等。
工業自動化:STM32L476VCT6可用于控制和監測各種工業設備,如機器人、PLC、傳感器、驅動器等,實現工業自動化的各種功能。
消費電子:STM32L476VCT6具有高性能和低功耗的特點,適用于消費電子產品,如智能手機、平板電腦、智能手表、音頻設備等。
醫療設備:STM32L476VCT6可用于醫療設備,如心電圖儀、血壓計、血氧儀等,實現對患者的監測和診斷功能。
安全系統:STM32L476VCT6具有強大的安全功能,可用于安全系統,如門禁系統、監控系統、無線鎖等,確保系統的安全性和可靠性。
STM32L476VCT6的封裝引腳圖


STM32L476VCT6的功能方框圖

STM32L476VCT6的型號解釋圖

詢價列表 ( 件產品)
哦! 它是空的。