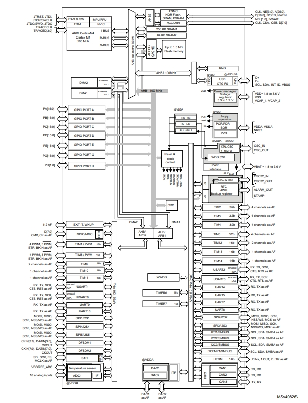
ST(意法半導體)的型號STM32F413CGU6屬于32位MCU微控制器,采用高性能Arm?Cortex?-M4 32位RISC內核,工作頻率高達100MHz。它們的Cortex?-M4內核具有浮點單元(FPU)單精度,支持所有Arm單精度數據處理指令和數據類型。它還實現了一整套DSP指令和一個增強應用程序安全性的內存保護單元(MPU)。

STM32F413CGU6屬于STM32F4接入產品線(產品結合了能效、性能和集成),同時添加了一種新的創新功能,稱為批量采集模式(BAM),可在數據批處理過程中節省更多的功耗。STM32F413CGU6包含高速嵌入式存儲器(高達1MB閃存,320KB SRAM),以及連接到兩條APB總線、三條AHB總線和32位多AHB總線矩陣的大量增強型I/O和外圍設備。
STM32F413CGU6提供一個12位ADC、兩個12位DAC、一個低功耗RTC、12個通用16位定時器,包括兩個用于電機控制的PWM定時器、兩個通用32位定時器和一個低功率定時器。
STM32F413CGU6的功能特點
1、高性能處理器:STM32F413CGU6采用了Arm Cortex-M4內核,工作頻率高達100 MHz,能夠實現高性能的數據處理和運算能力。
2、多種接口:STM32F413CGU6支持多種通信接口,如SPI、I2C、UART和CAN等,能夠方便地與其他外部設備進行數據交換和通信。
3、大容量存儲器:STM32F413CGU6內置了1MB的閃存存儲器和320KB的SRAM,可以滿足復雜應用程序的存儲需求。
4、豐富的外設:STM32F413CGU6提供了豐富的外設,如多個定時器、PWM輸出、ADC和DAC等,可以滿足各種應用場景的要求。
5、低功耗設計:STM32F413CGU6采用了低功耗技術,具有多種低功耗模式,可有效降低功耗并延長電池壽命。
6、安全性保證:STM32F413CGU6支持硬件加密和芯片級安全功能,可以保護用戶的應用程序和數據安全性。
7、開發工具支持:意法半導體提供了豐富的開發工具和軟件庫,包括集成開發環境(IDE)、調試器和外設驅動程序等,可使開發過程更加高效和便捷。
STM32F413CGU6的應用領域
STM32F413CGU6是一款高性能、低功耗的32位微控制器,其主要應用領域如下:
1、工業自動化:STM32F413CGU6具有豐富的通信接口和強大的計算能力,可以支持各種工業自動化應用,如PLC(可編程邏輯控制器)、工業機器人控制、過程控制、工業儀器儀表等。
2、智能家居:STM32F413CGU6提供了豐富的外設和接口,支持各種智能家居設備的控制和連接,如家庭安防系統、智能燈光控制、智能門鎖、智能家電等。
3、醫療設備:STM32F413CGU6具有低功耗和高性能的特點,非常適合用于醫療設備領域,如醫療監護儀、藥物輸送系統、健康監測設備等。
4、通信設備:STM32F413CGU6支持多種通信協議和接口,如UART、SPI、I2C、Ethernet等,適用于各種通信設備,如無線通信模塊、物聯網設備、工業通信設備等。
5、音視頻設備:STM32F413CGU6具有強大的圖形處理能力和音頻處理能力,適用于音視頻設備,如數字相機、音頻播放器、視頻監控系統等。
6、消費電子:STM32F413CGU6的低功耗和高性能特點,適合用于各種消費電子產品,如智能手表、智能穿戴設備、智能家居控制器等。
STM32F413CGU6的中文參數
品牌:ST(意法半導體)
產品分類:32位MCU
I/O數:36
程序存儲容量:1MB(1M x 8)
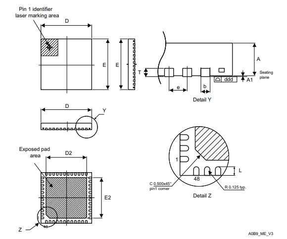
封裝:48-UFQFPN(7x7)
程序存儲器類型:閃存
包裝:托盤
RAM大小:320K x 8
商品標簽:通用類MCU
電壓-供電(Vcc/Vdd):1.7V ~ 3.6V
核心處理器:ARM Cortex-M4
數據轉換器:A/D 10x12b;D/A 2x12b
內核規格:32-位
振蕩器類型:內部
速度:100MHz
工作溫度:-40°C ~ 85°C(TA)
連接能力:CANbus,EBI/EMI,I2C,IrDA,LINbus,MMC/SDIO,QSPI,SAI,SPI,UART/USART,USB OTG
安裝類型:表面貼裝型
外設:欠壓檢測/復位,DMA,I2S,LCD,POR,PWM,WDT
基本產品編號:STM32F413
STM32F413CGU6的封裝引腳圖


STM32F413CGU6的原理圖

STM32F413CGU6的型號解釋圖

詢價列表 ( 件產品)
哦! 它是空的。