ST(意法半導體)生產的的型號STM32F100ZET7B屬于32位MCU微控制器,集成了高性能Arm?Cortex?-M3 32位RISC核心,在24mhz頻率下工作,高速嵌入式內存(閃存高達512千字節,SRAM高達32千字節),靈活的靜態內存控制(FSMC)接口(用于100引腳及以上的包中提供的設備)和廣泛的增強外設和連接到兩個APB總線的I/o。

STM32F100ZET7B提供標準通信接口(最多兩個i2c,三個spi,一個HDMI CEC,最多三個usart和2個uart),一個12位ADC,兩個12位dac,最多9個通用16位計時器和一個高級控制PWM計時器。STM32F100ZET7B高密度值線系列工作在-40到+85°C和-40到+105°C的溫度范圍內,從2.0到3.6 V電源。一套全面的省電模式允許設計低功耗應用程序。
STM32F100ZET7B的功能特點
1、高性能:STM32F100ZET7B采用ARM Cortex-M3內核,工作頻率高達24MHz,具有較高的指令執行速度和運算能力。這使得它能夠處理復雜的算法和大量數據。
2、豐富的外設:STM32F100ZET7B集成了豐富的外設,包括多個通用定時器、DMA控制器、UART、SPI、I2C等接口,以及多個模擬和數字引腳,可以滿足不同應用的需求。
3、低功耗:STM32F100ZET7B采用低功耗設計,具有多種電源管理模式,可以有效延長電池壽命。此外,它還支持多種低功耗模式,如睡眠模式、停止模式等,能夠在不需要高性能時降低功耗。
4、豐富的存儲器:STM32F100ZET7B具有大容量的Flash存儲器和SRAM,可滿足復雜應用的存儲需求。此外,它還支持EEPROM存儲器,用于存儲用戶數據和配置信息。
5、安全性:STM32F100ZET7B集成了硬件加密和安全電路,以保護程序和數據的安全性。它支持硬件加密算法、故障保護和代碼保護,可以防止未授權的訪問和篡改。
6、多種通信接口:STM32F100ZET7B支持多種通信接口,包括UART、SPI、I2C和CAN等。這些接口可以與外部設備進行數據交互,方便連接和控制外部器件,如傳感器、顯示屏等。
7、硬件調試和程序下載支持:STM32F100ZET7B集成了支持調試和程序下載的硬件接口,可以使用JTAG或SWD接口進行調試和燒錄程序,方便開發和調試工作。
二、STM32F100ZET7B的應用領域
STM32F100ZET7B是一款基于ARM Cortex-M3內核的32位微控制器,其主要應用領域如下:
1、工業自動化:STM32F100ZET7B可用于工業自動化領域,如工廠自動化控制系統、機器人控制、儀器儀表、工業通信等。其強大的處理能力、豐富的外設和多種通信接口,使其可以適應各種復雜的工業控制需求。
2、智能家居:在智能家居領域,STM32F100ZET7B可用于控制和管理各種家用電器和設備,如智能燈光系統、智能安防系統、智能門鎖、智能家電等。它的低功耗特性和豐富的接口使其非常適合在智能家居系統中實現各種功能。
3、醫療設備:STM32F100ZET7B在醫療設備領域有廣泛的應用,如醫療儀器、監護設備、健康監測設備等。其高性能、低功耗和強大的處理能力可以滿足醫療設備對實時數據處理和精確控制的需求。
STM32F100ZET7B的中文參數
品牌:ST(意法半導體)
產品分類:32位MCU
I/O數:112
程序存儲容量:512KB(512K x 8)
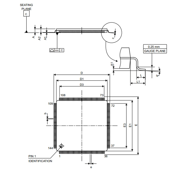
封裝:144-LQFP(20x20)
程序存儲器類型:閃存
商品標簽:通用類MCU
RAM大小:32K x 8
核心處理器:ARM Cortex-M3
電壓-供電(Vcc/Vdd):2V ~ 3.6V
內核規格:32-位
數據轉換器:A/D 16x12b;D/A 2x12b
速度:24MHz
振蕩器類型:內部
連接能力:I2C,IrDA,LINbus,SPI,UART/USART
工作溫度:-40°C ~ 105°C(TA)
外設:DMA,PDR,POR,PVD,PWM,溫度傳感器,WDT
安裝類型:表面貼裝型
基本產品編號:STM32F100
STM32F100ZET7B的引腳封裝圖


STM32F100ZET7B的原理圖

STM32F100ZET7B的型號解釋圖

詢價列表 ( 件產品)
哦! 它是空的。