穩壓二極管與普通二極管的區別及應用!
二極管是什么
普通極管,電子元件當中,一種具有兩個電極的裝置,只允許電流由單一方向流過,許多的使用是應用其整流的功能。而變容二極管(Varicap Diode)則用來當作電子式的可調電容器。大部分二極管所具備的電流方向性我們通常稱之為“整流(RecTIfying)”功能。二極管最普遍的功能就是只允許電流由單一方向通過(稱為順向偏壓),反向時阻斷 (稱為逆向偏壓)。
二極管的應用
1、整流二極管
利用二極管單向導電性,可以把方向交替變化的交流電變換成單一方向的脈動直流電。
2、開關元件
二極管在正向電壓作用下電阻很小,處于導通狀態,相當于一只接通的開關;在反向電壓作用下,電阻很大,處于截止狀態,如同一只斷開的開關。利用二極管的開關特性,可以組成各種邏輯電路。
3、限幅元件
二極管正向導通后,它的正向壓降基本保持不變(硅管為0.7V,鍺管為0.3V)。利用這一特性,在電路中作為限幅元件,可以把信號幅度限制在一定范圍內。
4、繼流二極管
在開關電源的電感中和繼電器等感性負載中起繼流作用。
5、檢波二極管
在收音機中起檢波作用。
6、變容二極管
使用于電視機的高頻頭中。
什么是穩壓二極管
穩壓二極管,英文名稱Zener diode,又叫齊納二極管。利用pn結反向擊穿狀態,其電流可在很大范圍內變化而電壓基本不變的現象,制成的起穩壓作用的二極管。
此二極管是一種直到臨界反向擊穿電壓前都具有很高電阻的半導體器件。在這臨界擊穿點上,反向電阻降低到一個很小的數值,在這個低阻區中電流增加而電壓則保持恒定,穩壓二極管是根據擊穿電壓來分檔的,因為這種特性,穩壓管主要被作為穩壓器或電壓基準元件使用。穩壓二極管可以串聯起來以便在較高的電壓上使用,通過串聯就可獲得更高的穩定電壓。
穩壓二極管的特點是什么
穩壓二極管的特點是工作于反向擊穿狀態,具有穩定的端電壓。與普通二極管不同的是,穩壓二極管的工作電流是從負極流向正極,如圖2-58(a)所示。從圖2-58(b)所示穩壓二極管的伏安特性曲線可見,穩壓二極管是利用PN結反向擊穿后,其端電壓在一定范圍內保持不變的原理工作的。只要反向電流不超過其最大工作電流,穩壓二極管是不會損壞的。

穩壓二極管有什么作用
穩壓二極管的作用是穩壓。
(1) 并聯穩壓電路。如圖2-59所示,穩壓二極管VD并聯在輸出端,VD上的電壓即為輸出電壓。這種簡單并聯穩壓電路主要應用在輸入電壓變化不大、負載電流較小的場合。

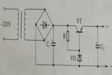
(2) 串聯穩壓電路。如圖2-60所示,由于串聯在輸出電路中的調整管VT的基極電壓被穩壓二極管VD所穩定,所以當輸出電壓發生變化時,調整管VT的基-射極間電壓相應變化,使得VT的管壓降向相反方向變化,從而使輸出電壓基本保持穩定。

穩壓管二極管在電路中的應用
1、浪涌保護電路:穩壓管在準確的電壓下擊穿,這就使得它可作為限制或保護之元件來使用,因為各種電壓的穩壓二極管都可以得到,故對于這種應用特別適宜。穩壓二極管D是作為過壓保護器件。只要電源電壓VS超過二極管的穩壓值D就導通,使繼電器J吸合負載RL就與電源分開。
2、電視機里的過壓保護電路:EC是電視機主供電壓。當EC電壓過高時,D導通,三極管BG導通,其集電極電位將由原來的高電平(5V)變為低電平,通過待機控制線的控制使電視機進入待機保護狀態。。
3、電弧抑制電路:在電感線圈上并聯接入一只合適的穩壓二極管(也可接入一只普通二極管原理一樣)的話,當線圈在導通狀態切斷時,由于其電磁能釋放所產生的高壓就被二極管所吸收,所以當開關斷開時,開關的電弧也就被消除了。這個應用電路在工業上用得比較多,如一些較大功率的電磁吸控制電路就用到它。
穩壓二極管與普通二極管的區別
穩壓二極管與普通二極管從特性上是有區別的,普通二極管具有單向導電性,假如它被反向擊穿,不具可逆性,將永久損壞。而穩壓二極管正是利用了它的反向擊穿的特性,當被反向擊穿時,穩壓二極管反向電阻降低到一個很小的數值,在這個低阻區中電流增加而電壓則保持恒定。
外觀上二者沒有什么區別,主要是從型號標注上來區別。
穩壓二極管是一種工作在反向擊穿區、具有穩定電壓作用的二極管。其極性與性能好壞的測量與普通二極管的測量方法相似,不同之處在于:當使用萬用表的Rxlk 擋測量二極管時,測得其反向電阻是很大的,此時,將萬用表轉換到Rx10k檔,如果出現萬用表指針向右偏轉較大角度,即反向電阻值減小很多的情況,則該二 極管為穩壓二極管;如果反向電阻基本不變,說明該二極管是普通二極管,而不是穩壓二極管。
穩壓二極管的測量原理是:萬用表Rxlk擋的內電 池電壓較小,通常不會使普通二極管和穩壓二極管擊穿,所以測出的反向電阻都很大。當萬用表轉換到Rx10k擋時,萬用表內電池電壓變得很大,使穩壓二極管 出現反向擊穿現象,所以其反向電阻下降很多,由于普通二極管的反向擊穿電壓比穩壓二極管高得多,因而普通二極管不擊穿,其反向電阻仍然很大。
如何區分穩壓二極管與普通二極管
常用的穩壓二極管的外形與普通小功率整流二極管的外形基本相似。當殼體上的型號標記清楚時,可根據型號加以鑒別。當其型號標志脫落時,可使用萬用表電阻擋很準確地將穩壓二極管與普通整流二極管區別開來。
具體方法是:首先把被測管的正、負電極判斷出來。然后將萬用表撥至Rx10k擋上,黑表筆接被測管的負極,紅表筆接被測管的正極,若此時測得的反向電阻值比用Rx1k擋測量的反向電阻值小很多,說明被測管為穩壓二極管;反之,如果測得的反向電阻值仍很大,說明該管為整流二極管或檢波二極管。這種判別方法的原理是,萬用表Rx1k擋內部使用的電池電壓為1.5V,一般不會將被測管反向擊穿,所以測出的反向電阻值比較大。
而用Rx10k擋測量時,萬用表內部電池的電壓一般在9V以上,當被測管為穩壓二極管,且穩壓值低于電池電壓值時,即被反向擊穿,使測得的電阻值大為減少。但如果被測管是一般整流或檢波二極管時,則無論用Rx1k擋測量還是用Rx10k擋測量,所得阻值將不會相差很懸殊。注意,當被測穩壓二極管的穩壓值高于萬用表Rx10k擋的電壓值時,用這種方法是無法進行區分鑒別的。
詢價列表 ( 件產品)
哦! 它是空的。