意法半導體STM32F051C8U6微控制器包含高性能ARM?Cortex?-M0 32位RISC內核,工作頻率高達48 MHz,高速嵌入式存儲器(高達64 KB閃存和8 KB SRAM),以及廣泛的增強型外圍設備和I/O。所有設備都提供標準通信接口(最多兩個I2C、最多兩個SPI、一個I2S、一個HDMI CEC和最多兩個USART)、一個12位ADC、一個12中位DAC、六個16位定時器、一個32位定時器和一個高級控制PWM定時器。

STM32F051C8U6微控制器在-40至+85°C的溫度范圍內工作,電源電壓為2.0至3.6 V。一套全面的節能模式允許設計低功耗應用程序。STM32F051C8U6微控制器封裝引腳為UFQFPN-48,還可根據要求提供模具形式。根據所選設備的不同,還包括不同的外圍設備。
特征
核心:ARM?32位Cortex?-M0 CPU,
頻率高達48 MHz
?記憶
–16至64 KB的閃存
–8 KB SRAM,帶硬件奇偶校驗
?CRC計算單元
?重置和電源管理
–數字和I/O電源:VDD=2.0 V至3.6 V
–模擬電源:VDDA=從VDD到3.6 V
-通電/斷電復位(POR/PDR)
-可編程電壓檢測器(PVD)
–低功耗模式:睡眠、停止、待機
–RTC和備份寄存器的VBAT電源
?時鐘管理
–4至32 MHz晶體振蕩器
–32 kHz振蕩器,用于帶校準的RTC
–內部8 MHz RC,帶x6 PLL選項
–內部40 kHz RC振蕩器
?最多55個快速I/O
–所有可在外部中斷矢量上映射
–最多36個I/O,具有5 V耐受能力
?5通道DMA控制器
?一個12位1.0μs ADC(最多16個通道)
–轉換范圍:0至3.6 V
–從2.4到3.6的獨立模擬電源
?一個12位DAC通道
?兩個快速低功耗模擬比較器
可編程輸入和輸出
?多達18個電容感應通道
支持觸摸鍵、線性和旋轉觸摸
傳感器
?最多11個定時器
–一個16位7通道高級控制
用于6通道PWM輸出的定時器,帶
空載時間生成和緊急停止
–一個32位和一個16位定時器,最多可
4 IC/OC,可用于IR控制解碼
–一個16位定時器,帶2個IC/OC,1個OCN,
空載時間生成和緊急停止
–兩個16位定時器,每個定時器帶有IC/OC和
OCN、空載時間生成、緊急情況
用于IR控制的停止和調制器門
–一個帶1個IC/OC的16位定時器
–獨立和系統看門狗定時器
–SysTick計時器:24位下計數器
–一個16位基本定時器,用于驅動DAC
?帶警報和定期喚醒功能的日歷RTC
從停止/待機
?通信接口
–最多兩個I2C接口,其中一個支持
快速模式+(1 Mbit/s),20 mA
電流吸收器、SMBus/PMBus和喚醒
從停止模式
–最多兩個USART支持主
同步SPI和調制解調器控制,一個
具有ISO7816接口、LIN、IrDA
功能,自動波特率檢測和
喚醒功能
–最多兩個SPI(18 Mbit/s),4到16個
可編程位幀,一個帶I2S
接口多路復用
?HDMI CEC接口,頭標喚醒
接待
?串行線調試(SWD)
?96位唯一ID
?所有包裝ECOPACK?2
應用
應用控制和用戶界面
手持設備
a/V接收器和數字電視
逆變器
打印機
PC外圍設備、游戲和GPS平臺
工業應用
PLC
掃描儀
報警系統
視頻對講機和HVAC
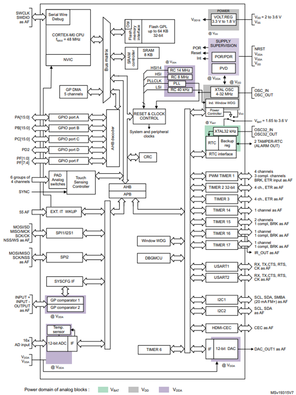
方框圖

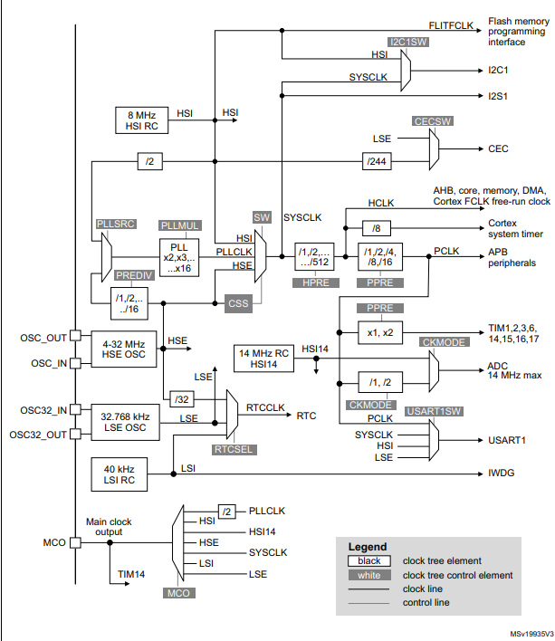
時鐘樹圖

引腳圖

詢價列表 ( 件產品)
哦! 它是空的。