今天給大家分享的是:LM431 的 10 種應用電路
一、LM431 簡單介紹
LM431是一款三端穩壓器,主要特點是輸出電壓可變,并且在整個程序溫度范圍以上保證溫度強度。
LM431 有三個引腳:
引腳1 :陰極,分流電流或輸出電壓
引腳2:參考,用于可調 O/P 電壓
引腳3:陽極,通常接地
LM431引腳功能圖
下面為功能框圖和電路符號:
LM431 功能框圖和電路符號
應用一:基于 LM431 的并聯穩壓電路
基于 LM431 的并聯穩壓電路如下所示:
基于 LM431 的并聯穩壓電路
結合上面的功能圖和并聯穩壓電路一起分析:
當并聯穩壓電路的Vref大于2.5V,功能框圖中的三極管導通,輸出電壓為0
當并聯穩壓電路的Vref小于2.5V,功能框圖中的三極管截止,輸出電壓為Vin。
因此,可以將輸出電壓穩定在下面的公式值:
輸出電壓
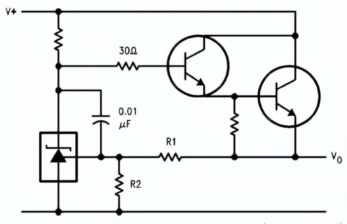
應用二:基于LM431 的高電流并聯穩壓器
基于 LM431 的高電流并聯穩壓器 如下所示,與上圖相比,增加了三極管,提高了續流能力。
LM431 的高電流并聯穩壓器
輸出電壓為:
輸出電壓
應用三:基于LM431 的溫度補償閾值的單電源比較器
基于 LM431 的溫度補償閾值的單電源比較器如下所示:對比第一個應用,Vin與2.5V比較,控制左邊三極管的狀態,控制輸出電平。

應用四:基于LM431 的串聯穩壓器
基于 LM431 的串聯穩壓器如下所示:
基于 LM431 的串聯穩壓器
在這個應用中,LM431作為反饋電路,控制復合管的通斷,輸出電壓如下所示:
輸出電壓
與應用1中的并聯穩壓器相比,該電路增加了穩壓器的續流能力。
應用五、基于LM431 的三端固定的輸出可控的穩壓器
基于LM431 的三端固定的輸出可控的穩壓器如下所示:
LM431 的三端固定的輸出可控的穩壓器
根據電路框圖分析,輸出電壓的最小值被限制在7.5V,當 R1足夠大時,輸出電壓如下所示:
輸出電壓
應用六:基于LM431 的過壓欠壓保護電路
基于 LM431 的過壓欠壓保護電路如下所示:
基于 LM431 的過壓欠壓保護電路
分析電路可以知道,輸出電壓高于 high limit 時,左邊 LM431 的輸出三級管導通,導致右邊的 LM431 輸出三極管截止,導致最右邊的三極管截止,沒有輸出。
輸入電壓低于 low limit 時,左邊 LM431 的輸出三極管截止,這是正常的工作狀態,但是輸入電壓低于low limit,導致 R2B上的分壓過小,右邊 LM431 的輸出三極管截止,最終導致最右邊的三極管截止,沒有輸出。
電路的輸入電壓范圍的 low limit 和 high limit 如下所示:
電路的輸入電壓范圍
注:這個電路的的輸出像是一個OC門,使用時注意
應用七:基于LM431 的電壓監視器
基于 LM431 的電壓監視器如下所示:
基于 LM431 的電壓監視器
該電路與應用 6 的電路是很一樣,監視的電壓區間也是一樣的:
監視的電壓區間
應用八:基于LM431 的延時定時器
基于LM431 的延時定時器如下所示:
基于LM431 的延時定時器
在此應用中,開關閉合后,先給電容 C 充電,電容 C 的電壓充到 VREF 時,LED 被點亮。
充電時間即為延時時間,如下所示:
充電時間即為延時時間
應用九:基于 LM431 的限流器或電流源
基于 LM431 的限流器或電流源如下所示:
基于 LM431 的限流器或電流源
Rcl 在這里充當采樣電阻,如果電流變大,Rcl上的電壓就變大,當 Vref 大于2.5V,LM431的三極管導通,從而限流器上的三極管的Ube小于0,此三極管截止,Vref 處電壓消失,LM431 的三極管截止,形成反饋。
輸出電流 Io 控制在下圖的值:
輸出電流 Io
應用十:基于LM431 的恒流下沉電路
基于 LM431 的恒流下沉電路如下所示,恒流下沉電路也就是灌電流電路,輸入大的電流,輸出恒定的小電流。輸出電流值如圖:
基于LM431 的恒流下沉電路
詢價列表 ( 件產品)
哦! 它是空的。